-
Cari Produk
- Dukungan dan Unduhan
- Hubungi Kami
Telepon:021-7273-8210 / 0811-137-5585
Jam kerja 9:00-17:00 Sabtu dan Minggu (Kecuali hari libur)
Konektor untuk perpipaan fasilitas pabrik atau yang terpasang pada mesin
Tahan korosi guna masa pakai yang lama. Tahan lama tanpa memengaruhi cairan.
Tahan korosi guna masa pakai yang lama. Tahan lama tanpa memengaruhi cairan.
Konektor untuk perpipaan fasilitas pabrik atau yang terpasang pada mesin
| No. Model | 633-E-SST | |
|---|---|---|
| Bahan utama | ||
| Fungsi | ||
| Cairan | Air (industri) Udara Minyak Makanan dan minuman Bahan kimia dan kosmetik Pelarut dan cat | |
| Kepatuhan hukum | Sesuai dengan RoHS 2 | |
| Detail bahan | Bodi konektor | SCS14 (Ekuivalen SUS316) |

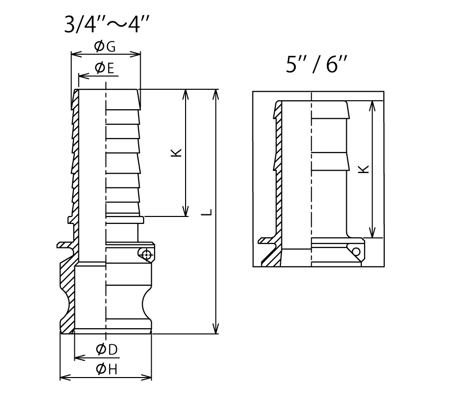
| Model | Spesifikasi konektor | Dimensi (mm) | |||||
|---|---|---|---|---|---|---|---|
| D | E | G | H | K | L | ||
| 633-E3/4SST | 3/4" | 21 | 14 | 21 | 32 | 51 | 101 |
| 633-E1SST | 1" | 24 | 20 | 27 | 37 | 58 | 114 |
| 633-E1-1/4SST | 1-1/4" | 29 | 25 | 34 | 45 | 59 | 126 |
| 633-E1-1/2SST | 1-1/2" | 37 | 32 | 40 | 53 | 74 | 143 |
| 633-E2SST | 2" | 43 | 43 | 52 | 63 | 87 | 164 |
| 633-E2-1/2SST | 2-1/2" | 55 | 55 | 67 | 76 | 93 | 168 |
| 633-E3SST | 3" | 73 | 68 | 79 | 92 | 113 | 190 |
| 633-E4SST | 4" | 96 | 89 | 105 | 120 | 127 | 209 |
| 633-E5SST | 5" | 117 | 114 | 134 | 146 | 127 | 196 |
| 633-E6SST | 6" | 149 | 142 | 157 | 176 | 146 | 224 |
* Adaptor 3/4" juga dapat disambungkan ke coupler 1/2".* Bentuk fitting berkait dapat berbeda-beda, tergantung pada ukurannya.
* Kami sarankan Anda menggunakan konektor dan adaptor yang terbuat dari bahan yang sama dan ukurannya sama saat menyambungkan fitting. Penggunaan konektor dan adaptor yang terbuat dari bahan berbeda dapat menyebabkan korosi (korosi listrik).
|
|
Nama selang | ECORON HOSE | TOYOFUSSO HOSE | TOYOFUSSO-E HOSE | TOYOFUSSO-S HOSE | TOYOFUSSO SOFT HOSE | TOYOFUSSO SOFT-S HOSE | HYPER TOYORON HOSE | HYBRID TOYOFOODS HOSE | HYBRID TOYORON HOSE | HYBRID TOYOSILICONE HOSE | SUPER TOYORON HOSE | TOYOBIO PRO HOSE | TOYOFOODS HOSE | TOYORING HOSE | TOYORING-F HOSE | TOYORON HOSE | TOYOSPRING HOSE | TOYOSILICONE HOSE | TOYOSILICONE-P HOSE | TOYOSILICONE-S HOSE | TOYOSILICONE-S2 HOSE | TOYOSILICONE STEAM HOSE | TOYOSILICONE THERMO HOSE | FLAMEBLC HOSE | FUSSOTHERMO-S100°C HOSE | HYBRID TOYODROP HOSE | FLAMEBLC HYBRID UL HOSE | ECORON-S HOSE | TOYOTOP-E100°C HOSE | TOYOFOODS-S HOSE | TOYOFOODS EARTH HOSE | TOYOTOP-E HOSE | TOYOSILICONE STEAM-S HOSE |
|---|---|---|---|---|---|---|---|---|---|---|---|---|---|---|---|---|---|---|---|---|---|---|---|---|---|---|---|---|---|---|---|---|---|---|
| Bahan utama | Resin poliolefin | Tetrafluororesin | Tetrafluororesin | Tetrafluororesin | Tetrafluororesin | Tetrafluororesin | PVC lunak | PVC lunak | PVC lunak | Karet silikon | PVC lunak | PVC lunak | PVC lunak | PVC lunak | PVC lunak | PVC lunak | PVC lunak | Karet silikon | Karet silikon | Karet silikon | Karet silikon | Karet silikon | Karet silikon | PVC lunak | Tetrafluororesin | PVC lunak | PVC lunak | Resin poliolefin | Resin poliuretan khusus | PVC lunak | PVC lunak | PVC lunak | Karet silikon | |
| Rentang suhu pengoperasian | -5℃~60℃ | -20℃~80℃ | -20℃~80℃ | -20℃~80℃ | -5℃~70℃ | -5℃~70℃ | -5℃~70℃ | -5℃~70℃ | -5℃~60℃ | -30℃~130℃ | -5℃~60℃ | -5℃~60℃ | -5℃~70℃ | -5℃~60℃ | -5℃~70℃ | -5℃~60℃ | -5℃~60℃ | -30℃~150℃ | -30℃~100℃ | -30℃~150℃ | -30℃~150℃ | -30℃~140℃ | -30℃~120℃ | -5℃~60℃ | -5℃~100℃ | -5℃~60℃ | -5℃~60℃ | -5℃~60℃ | -5℃~100℃ | -5℃~70℃ | -5℃~70℃ | -10℃~50℃ | -30℃~140℃ | |
| No. Model | EC | FF | FFE | FFS | FFY | FFYS | HPT | HTF | HTR | HTSI | ST | TBP | TFB | TG | TGF | TR | TS | TSI | TSIP | TSIS | TSIS2 | TSISTM | TSITH | FB | FSTH100C | HTD | FBH | ECS | TPE100C | TFS | TFE | TPE | TSISTMS | |
| Model konektor |
Diameter bagian dalam nominal selang yang kompatibel (mm)
Spesifikasi konektor
|
![]() |
![]() |
![]() |
![]() |
![]() |
![]() |
![]() |
![]() |
![]() |
![]() |
![]() |
![]() |
![]() |
![]() |
![]() |
![]() |
![]() |
![]() |
![]() |
![]() |
![]() |
![]() |
![]() |
![]() |
![]() |
|
![]() |
![]() |
![]() |
![]() |
![]() |
![]() |
![]() |
| 633-E3/4SST |
19
3/4"
|
◯ | ◯ | ◯ | ◯ | ◯ | ◯ | ◯ | ◯ | ◯ | ◯ | ◯ | ◯ | ◯ | ◯ | ◯ | ◯ | ◯ | ◯ | ◯ | ◯ | ◯ | ◯ | ◯ | ◯ | ◯ | ◯ | ◯ | - | - | - | - | - | - |
| 633-E1SST |
25
1"
|
◯ | ◯ | ◯ | ◯ | ◯ | ◯ | ◯ | ◯ | ◯ | ◯ | ◯ | ◯ | ◯ | ◯ | ◯ | ◯ | ◯ | ◯ | ◯ | ◯ | ◯ | ◯ | ◯ | ◯ | ◯ | ◯ | ◯ | ◯ | ◯ | ◯ | - | - | - |
| 633-E1-1/4SST |
32
1-1/4"
|
◯ | ◯ | - | ◯ | - | ◯ | ◯ | - | - | ◯ | ◯ | - | ◯ | ◯ | ◯ | ◯ | ◯ | ◯ | - | ◯ | ◯ | - | - | - | - | - | - | ◯ | ◯ | ◯ | ◯ | ◯ | ◯ |
| 633-E1-1/2SST |
38
1-1/2"
|
◯ | ◯ | - | ◯ | - | ◯ | ◯ | - | - | ◯ | ◯ | - | ◯ | ◯ | ◯ | ◯ | ◯ | ◯ | - | ◯ | ◯ | ◯ | ◯ | - | ◯ | - | - | ◯ | ◯ | ◯ | ◯ | ◯ | ◯ |
| 633-E2SST |
50
2"
|
◯ | ◯ | - | - | - | ◯ | ◯ | - | - | - | ◯ | - | ◯ | ◯ | ◯ | ◯ | ◯ | ◯ | - | ◯ | ◯ | - | - | - | ◯ | - | - | ◯ | ◯ | ◯ | ◯ | ◯ | ◯ |
| 633-E2-1/2SST |
63
2-1/2"
|
- | - | - | - | - | - | - | - | - | - | ◯ | - | - | - | - | ◯ | ◯ | - | - | - | - | - | - | - | - | - | - | - | ◯ | ◯ | ◯ | ◯ | - |
| 633-E3SST |
75
3"
|
- | - | - | - | - | - | - | - | - | - | ◯ | - | - | - | - | ◯ | ◯ | - | - | - | - | - | - | - | - | - | - | - | ◯ | ◯ | ◯ | - | - |
| 633-E4SST |
100
4"
|
- | - | - | - | - | - | - | - | - | - | - | - | - | - | - | - | ◯ | - | - | - | - | - | - | - | - | - | - | - | - | ◯ | ◯ | - | - |
| 633-E5SST |
125
5"
|
- | - | - | - | - | - | - | - | - | - | - | - | - | - | - | - | - | - | - | - | - | - | - | - | - | - | - | - | - | - | - | - | - |
| 633-E6SST |
150
6"
|
- | - | - | - | - | - | - | - | - | - | - | - | - | - | - | - | - | - | - | - | - | - | - | - | - | - | - | - | - | - | - | - | - |
Page Top